何花
安科瑞電氣股份有限公司 上海 嘉定 201801;
摘要:介紹威縣牛樂乳液悅鮮活二車間電力監控系統,采用智能電力儀表采集配電現場的各種電參量和開關信號。系統采用現場就地組網的方式,組網后通過現場總線通訊并遠傳至后臺,通過Acrel-2000電力監控系統實現變電所配電回路用電的實時監控和電能管理。
關鍵詞:工業項目;威縣牛樂乳液悅鮮活二車間;變電所;智能電力儀表;Acrel-2000;電力監控系統
0 概述
威縣牛樂乳液有限公司,位于河北省邢臺市威縣乳業園區迎賓大道6號,為君樂寶集團子公司。該項目于2017年10月16日成立。法定代表人谷印可,公司經營范圍包括:乳制品、飲料加工、銷售;自營和代理商品的進出口業務等本系統對威縣牛樂乳液悅鮮活二車間配電室進行電力監控,以保證用電的安全、可靠和高效。
Acrel-2000型低壓智能配電系統,充分利用了現代電子技術、計算機技術、網絡技術和現場總線技術的新發展,對變配電系統進行分散數據采集和集中監控管理。對配電系統的二次設備進行組網,通過計算機和通訊網絡,將分散的配電智能設備連接為一個有機的整體,實現電網運行的遠程監控和集中管理。

1 系統結構描述
本項目共53臺AMC72L系列多功能電力儀表。在配電室內放置采集裝置,現場多功能儀表經485總線連接至對應的采集裝置,現場串口服務器經網線將數據傳輸至監控主機上。
本監控系統采用分層分布式結構,即站控層,通訊層與間隔層。
間隔設備層主要為多功能網絡電力儀表。分別對應相應的一次設備安裝在電氣柜內,采用RS485通訊接口,通過現場MODBUS總線組網通訊,實現數據現場采集。
網絡通訊層主要為:APort串口服務器將配電柜內的電力儀表集中采集,同時遠傳至站控層,完成現場層和站控層之間的數據交互。
站控管理層:設有高性能工業計算機、顯示器、UPS電源、打印機等設備。監控系統安裝在計算機上,集中采集顯示現場設備運行狀況,以人機交互的形式顯示給用戶。
2 電力監控系統主要功能
2.1 數據采集與處理
數據采集是配電監控的基礎,由現場AMC系列多功能網絡儀表采集完成,采集的信號包括:三相電壓U、三相電流I、頻率Hz、功率P、功率因數COSφ、電度Epi、設備運行狀態等數據,并將采集到的數據存入數據庫供用戶查詢,終達到配電監控的自動化化和智能化要求。
2.2 人機交互
系統提供簡單、易用、良好的用戶使用界面。采用全中文界面,顯示低壓配電系統電氣一次主接線圖,顯示配電系統設備狀態及相應實時運行參數,畫面定時輪巡切換;畫面實時動態刷新;模擬量顯示;開關量顯示;連續記錄顯示等。
2.3 歷時事件
歷時事件查看界面主要為用戶查看曾經發生過的故障記錄、信號記錄、操作記錄、越限記錄提供方便友好的人機交互,通過歷史事件查看平臺,用戶可以根據自己的要求和查詢條件方便定位您所要查看的歷史事件,為您把握整個系統的運行情況提供了良好的軟件支持。
2.4 數據庫建立與查詢
主要完成遙測量和遙信量定時采集,并且建立數據庫,定期生成報表,以供用戶查詢打印。
2.5 用戶權限管理
針對不同級別的用戶,設置不同的權限組,防止因人為誤操作給生產,生活帶來的損失,實現配電系統的安全,可靠運行。可以通過用戶管理進行用戶登錄、用戶注銷、修改密碼、添加刪除等操作,方便用戶對賬號和權限的修改。
2.6 運行負荷曲線
負荷趨勢曲線功能主要負責定時采集進線及重要回路電流和功率負荷參量,自動生成運行負荷趨勢曲線的,方便用戶及時了解設備的運行負荷狀況。點擊畫面相應按鈕或菜單項可以完成相應功能的切換;可以查看實時趨勢曲線或歷史趨勢線;對所選曲線可以進行平移、縮放、量程變換等操作,幫助用戶進線趨勢分析和故障追憶,為分析整個系統的運行狀況提供了直觀而方便的軟件支持。
2.7 遠程報表查詢
報表管理程序的主要功能是根據用戶的需要設計報表樣式,把系統中處理的數據經過篩選、組合和統計生成用戶需要的報表數據。本程序還可以根據用戶的需要對報表文件采用定時保存、打印或者召喚保存、打印模式。同時本程序還向用戶提供了對生成的報表文件管理功能。
報表具有自由設置查詢時間實現日、月、年的電能統計,數據導出和報表打印等功能。
3 案例分析
低壓回路采用的AMC系列多功能電力儀表是針對電力系統、工礦企業、公共設施、智能大廈的電力監控需求而設計的網絡電力儀表,它能測量所有常規電力參數,如:三相電壓、電流、有功功率、無功功率、功率因數、頻率、有功電度、無功電度。該系列網絡電力儀表主要應用于變電站自動化、配電網自動化、小區電力監控、工業自動化、能源管理系統及智能建筑等領域。
配電一次圖見圖(1),功能有電量遙測主要監測運行設備的電參量,其中包括:線三相電壓,電流,功率,功率因數,電能,頻率等電參量及配出回路的三相電流;遙信功能實現顯示現場設備的運行狀態,主要包括:開關的分、合閘運行狀態和通訊故障報警;斷路器變位時會發出報警信號,提醒用戶及時處理故障。

圖(1)配電一次圖
參數抄表功能,主要對低壓各出線回路的電參數進線查詢。支持任意時刻電參數查詢,具備數據導出和報表打印等功能。該報表查詢變電所4臺變壓器出線各低壓回路的電參數,主要包括:三相電流、有功功率和有功電度及變壓器溫度。該報表各回路名稱和數據庫關聯,方便用戶修改回路名稱。見圖(2)。

圖(2) 參數抄表
用電量報表功能,可選擇時間段進行查詢,支持任意時間段電度累計查詢,具備數據導出和報表打印等功能。為值班人員提供了可靠的電能報表。該報表各回路名稱和數據庫關聯,方便用戶修改回路名稱。如下圖所示,顯示配電室某段時間內的各配電回路的用電量,用戶可以直接打印報表,可以以EXCEL格式另存到其他位置。 見圖(3)。

圖(3) 電能報表
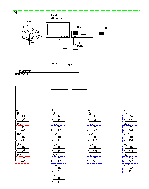
系統通訊結構示意圖,主要顯示系統的組網結構,系統采用分層分布式結構,同時監測間隔層設備的通信狀態。紅色表示通訊正常,綠色表示通訊故障。見圖(4)。

圖(4)系統通訊結構示意圖
負荷趨勢曲線界面中可直觀的查看回路的負荷運行情況。查看實時和歷史趨勢曲線,點擊畫面相應按鈕或菜單項可以完成相應功能的切換;幫助用戶進線趨勢分析和故障追憶,具備曲線打印功能。為分析整個系統的運行狀況提供了直觀而方便的軟件支持。見圖(5)。

圖(5)趨勢曲線圖
4 結束語
隨著社會的發展及電力的廣泛應用,電力監控系統已成為全國各地重點工程項目、標志性建筑/大型公共設施等大面積多變電所用戶的必然選擇,本文介紹的Acrel-2000電力監控系統在濟陽邁大食品有限公司的應用,可以實現對變電所低壓配電回路用電的實時監控與電能管理,不僅能顯示回路用電狀況,還具有網絡通訊功能,可以與串口服務器、計算機等組成電力監控系統。系統實現對采集數據的分析、處理,實時顯示變電所內各配電回路的運行狀態,對分合閘、負載越限具有彈出報警對話框及語音提示,并生成各種電能報表、分析曲線、圖形等,便于電能的遠程抄表以及分析、研究。該系統運行安全、可靠、穩定,為變電所用戶解決用電問題提供了真實可靠的依據,取得了較好的社會效益。
參考文獻:
[1].任致程 周中. 電力電測數字儀表原理與應用指南[M]. 北京. 中國電力出版社. 2007. 4
[2].周中等編著. 智能電網用戶端電力監控與電力監控系統產品選型及解決方案[M]. 北京. 機械工業出版社. 2011.10