眾多企業中應用的數據中心自動化運維管理是其提高整體管理效率的主要動力,所以保證數據中心自動化運維管理功能的持續、穩定的發揮作用是關鍵環節,所以保證數據中心運維管理的供配電系統的穩定并應用先進的節能措施,為企業的整體發展降低成本,提升運維效率,行業內研究的熱點問題。本文通過分析供配電系統應用節能措施面臨的眾多問題,并提出相應的解決措施,為數據中心供配電系統的節能提供參考。
1數據中心電源系統能耗現狀
數據中心運維管理的供電系統包含電源系統、輔助設備和配套設備組成數據中心運維管理是以計算機為載體,信息技術為依托的先進的數據管理技術,隨著數據中心供配電系統規模的升級,相應的硬件設施的數量也隨之增加,從而使得電量需求迅速變大。且城市是用電密度較大的地區,數據中心的用電規模占了很大比例。據可靠數據分析,眾多一線城市或者IDC(InternetDataCenter,互聯網數據中心)商業活動較為頻繁的地區,數據中心運維管理的電能消耗占總體電能消耗的百分之二十五,甚至有的地區已經超過百分之五十,比如北京。
此外,還有眾多企業規模較大,數據中心運維管理一直沿用電能消耗高的UPS(UninterruptiblePowerSupply,不斷電系統),給數據中心的能源消耗加重了負擔
2設計需求
據現有的數據分析研究,可以得出數據中心的節能設計主要設計以下幾方面的因素:
2.1按照容錯系統標準配置硬件設施
傳統數據中心運維過程中常常因為外部電源終端以及誤動拒動等問題出現而導致運行中斷,所以該供配電系統應該設置嚴格的容錯系統標準,防止此類事情的發生。
2.2不間斷電源系統配置
該系統應嚴格按照2N標準配置電池,且具有連續使用的時間至少在15分鐘以上。
3數據中心電源系統節能設計
本環節將對數據中心運維管理的電源系統展開敘述。
3.1評價指標
PUE(PowerUsageEffectiveness,電源使用效率)在數據中心的供配電系統中提供給數據中心供配電工作者直觀的電能消耗狀態,為其整體的供配電管理工作提供指導依據,在數據中心供配電系統日益進步過程中受到了廣泛關注。供配電系統主要包含IT主設備負載效率、空調系統及供配電系統三方面。
3.2電源系統結構
目前,企業數據中心常采用大規模的服務器和小型機,但是其使用過程中經常出現電源不穩定影響網絡工作的安全性,所以對電源系統研究出更佳的配置方案。綜合數據中心運行規范,將數據中心運維管理的供配電系統分為高壓直流電供配電系統和交流供配電系統。
3.3高壓直流供配電系統
隨著數據中心運維管理的不斷優化,行業內的工作者通過大量的實踐和分析數據工作,得出HVDC(High-VoltageDirectCurrent,高壓直流)電源供配電系統的工作效率較高,適用于現階段對于數據中心節能的要求,為數據中心的節能工作帶來了新的發展局面。因HVDC供配電系統的電池直接接入服務器輸入端,不需要額外的設別或者處理,就可以實現持續穩定的供電這一強大的優勢,且擴容環節的后期維護更加簡便易操作而得到廣泛的運用。HVDC供配電系統的應用,僅在線路系統和電上電能有損耗,切實降低了PUE的數據值,提升了系統運行的供電效率,推動了數據中心供配電中節能技術應用的進步。如2016年,天津電力公司用電客戶系統在停電1小時內的情況下,供電效率高達99.9%。
3.4模塊交流電系統
在UPS供配電系統的使用中,經常會因該系統負載率較低的情況而引發的供電系統運行中斷等問題,給整體的數據中心運維管理該來了很大的不便。經過研究發現,通過將模塊化概念引入UPS供配電系統的節能改造工程中,有助于該供配電系統的整體節能優化效果的提升。UPS供配電系統通過模塊化改進,冗余的電能資源可以同時保證多臺設備的正常運行,還可以根據實際情況進行電源容量的優化,使得UPS供配電系統的工作效率和安全性得到大程度的提升,關鍵的是可以切實降低能源的過度使用,實現數據中心的節能目的。
3.5優化空調系統
出了以上量方面的改造,空調系統的節能措施也要進行優化和調整,在以上基礎上進一步提升供配電的節能目的。在數據中心的實際運維管理中,采取集中式冷凍水型恒溫恒濕空調,架空地板,準確下送風,充分利用自然風,提高對資源的優化配置和利用率,以此來減少能源過度消耗。同時還要對機房溫度進行科學合理的設置,劃分區域準確供冷,來實現空調系統的節能目標。而在空調各種功能中,加濕是一項耗能較高的功能,所以可靠將其取消掉,降低空調的整體能耗,從細節上提升整體供配電的節能效果。
4安科瑞列頭柜及監測產品介紹
隨著數據中心的迅猛發展,數據中心能耗問題也越來越突出,可靠的數據中心配電系統方案,是提高數據中心電能使用效率,降低設備能耗的有效方式。
AMC系列數據中心精密配電系統是針對數據機房末端設計的,能夠綜合采集所有能源數據的智能系統,為交直流電源配電柜提供電參量信息,并可通過通訊將數據上傳到動環監控系統,實現對整個數據機房的實時監控和有效管理,為實現綠色IDC提供可靠保證。
4.1精密配電管理解決方案
4.1.1交流系統
1)功能要求:
遙測:輸入分路的三相電壓、三相電流、有功功率、有功電度;輸出分路的單相電壓、單相電流、有功功率、有功電度;
遙信:輸入分路的過壓/欠壓,缺相,過流,輸入分路和輸出分路的開關狀態,具備電流、功率需用量分析和統計,實現電壓、電流、功率等參數的越限報警功能。
2)配置方案-示意圖

配置方案
多功能儀表PZ72L-E4
電流互感器AKH-0.66-30I-XXA/5A
4.1.2直流系統
1)功能要求
遙測:輸入分路的電壓、電流、功率、電度;
遙信:輸入分路的過壓/欠壓,輸入分路的熔絲狀態,具備電流、功率需用量分析和統計,實現電壓、電流、功率等參數的越限功能。
2)配置方案-示意圖
配置方案
多功能儀表PZ72L-DE
霍爾傳感器AHKC-F-XXA/5V開關電源SBD-30(48V)
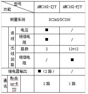
4.2產品規格
說明:■為標配功能。
4.3配套附件
5安科瑞母線槽監測產品介紹
5.1概述
數據中心小母線系統是數據中心末端母線供配電系統的俗稱。近年來,隨著數據中心建設的快速發展和更高需求,智能小母線系統逐漸被應用于機房的末端配電中,具有電流小、插接方便、智能化程度高等特點,即插式插接箱給各個機柜內的PDU分配電。始端箱和插接箱內可設置監測模塊,將數據上傳至動環監控中心。
5.2 AMB智能小母線管理系統
1)交流系統功能:
遙測:三相電壓、電流、有功功率、無功功率、視在功率、功率因數、有功電能、無功電能、電纜溫度,系統頻率、零序電流、零地電壓、漏電流、機柜溫度、機柜濕度、開關狀態、電壓/電流諧波含量、電流/功率;
遙信:過電流2段閥值越限、過/欠壓、過功率告警、缺相、過頻率、欠頻率越限、零地電壓、零線電流、溫/濕度告警,開關狀態、開關跳閘;
2)直流系統功能:
遙測:電壓、電流、功率、電能、電纜溫度、漏電流、機柜溫度、機柜濕度、開關狀態、電流/功率;
遙信:過電流2段閥值越限、過/欠壓、過功率告警、缺相、溫/濕度告警,開關狀態、開關跳閘;
5.3產品介紹

說明:■為標配功能。
6結束語
現如今,全球變暖的問題日益嚴峻,能源消耗是國家和民眾關注的熱點問題,各行業如何采取先進的節能減排技術實現綠色工程的目的,成為行業內關注的問題。數據中心運維管理的供配電系統作為現代企業不可或缺的必要手段,如何將傳統的高能耗局勢逐漸扭轉,是現如今火熱的話題。在新時代,通過不斷創新,將綠色低能耗的理念逐漸滲透進供配電系統,優化電源系統、空調系統,實現數據中心的整體節能目標,助力我國的能源事業的發展。
參考文獻:
【1】孫海峰.基于自然冷源的數據中心制冷系統節能潛力的分析[J].發電與空調,2016(04):69-73
【2】王煒.數據中心供配電系統的節能設計.
【3】安科瑞數據中心IDC配電監控解決方案.2020.03版.
【4】安科瑞企業微電網設計應用手冊.2020.06版.